Page 90 - ⑨环境与发展第3期
P. 90
环境与发展
WURANFANGZHIYANJIU
[2]
3.1 土壤检测指标的污染特征分析 地),未入该标准的锌、氟化物参照《上海市场
垃圾填埋场内 40 个土壤样品和填埋场外 地土壤环境风险评估筛选值(试行)》非敏感
[3]
的 12 个样品共检测 8 项指标,指标对照《土壤 用地筛选值,所有指标均未超标,见表 1 和表
环境质量建设用地土壤污染风险管控标准(试 2 。其他 27 项挥发有机物、11 项半挥发有机
行)》(GB36600-2018)表 1 筛选值(第二类用 物、铬(六价)、氰化物和苯酚均未检出。
表1 填埋场内土壤指标检测结果
检出指标 筛选值(mg/kg) 检测数(个) 检出数(个) 检出率(%) 最大值(mg/kg) 超标数(个) 超标率(%)
镉 65 40 8 20 0.04 0 0
汞 38 40 40 100 0.27 0 0
砷 60 40 40 100 22.34 0 0
铅 800 40 40 100 47.06 0 0
铜 18000 40 40 100 46 0 0
镍 900 40 40 100 45 0 0
锌 10000 40 40 100 105 0 0
氟化物 5938 40 39 97.5 956 0 0
表2 填埋场外土壤指标检测结果
检出指标 筛选值(mg/kg) 检测数(个) 检出数(个) 检出率(%) 最大值(mg/kg) 超标数(个) 超标率(%)
镉 65 12 8 66.66667 0.12 0 0
汞 38 12 12 100 0.115 0 0
砷 60 12 12 100 13.36 0 0
铅 800 12 12 100 28.07 0 0
铜 18000 12 12 100 29 0 0
镍 900 12 12 100 41 0 0
锌 10000 12 12 100 93 0 0
氟化物 5938 12 12 100 536 0 0
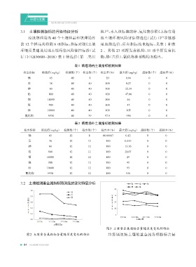
3.2 土壤检测重金属指标随深度的变化特征分析
图3 土壤重金属指标含量随深度变化的特征
图2 土壤重金属指标含量随深度变化的特征 垃圾填埋场土壤的重金属各项指标含量
84 HUANJINGYUFAZHAN

